规格:
服务:
常见问题:
跟销售索要产品外形图 ,价格根据配置定
产品特点:
•多行程可选
•分辨率5μm(-HR型为1μm),重复定位精度优于0.5μm
•适用于1 x 10 •适用于1 x 10-10-10 mBar mBar
•标品采用超高压预制铝结构,不锈钢结构可选-SS型
•最高耐受温度最高耐受温度可达150°C(-SS型为200°C)可达150°C(-SS型为200°C)
•标配AML D35.1步进电机,可选择配置限位开关和编码器
•提供高分辨率、抗辐射和干润滑版本
•可根据具体要求进行定制
产品参数:
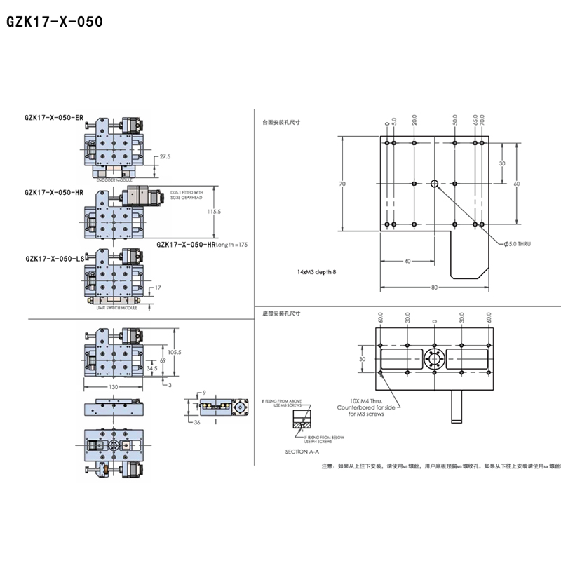
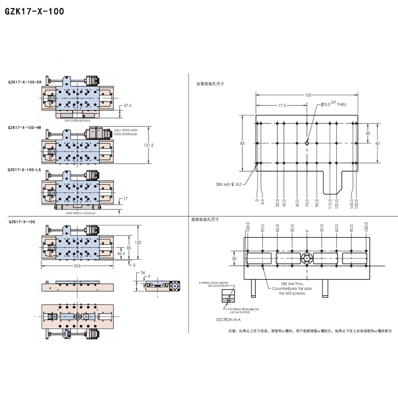
| 规格 | GZK17-X-050 | GZK17-X-100 | GZK17-X-150 | GZK17-X-200 |
| 行程 | 50mm | 100mm | 150mm | 200mm |
| 分辨率 | 5m(VSM17-X-xxx-HR为1um) | |||
| 最大速度 | 15 mm/s(VSM17-X-xxx-HR为5 mm/s) | |||
| 重复定位精度 | 0.5 μ m | |||
| 水平中心负载 | 50 kg | |||
| 最大负载力矩 | 30 Nm | |||
| 竖直负载 @500 Hz/s 1000 Hz 1A/ 相 | 15 kg | |||
| 背隙 | 低于分辨率 | |||
| 翻转 &俯仰 & 偏摆 | ±48 μ rad | ±90 μ rad | ±80 μ rad | ±70 μ rad |
| 力矩刚性-翻转 &俯仰 & 偏摆 | 16 μ rad/Nm | 32 μ rad/Nm | 29 μ rad/Nm | 26 μ rad/Nm |
| 运动直线度 | 3 μ m/100 mm | |||
| 导程精度 | 0.027/100 mm | |||
| 步进电机 | AML D35.1 | |||
| 真空度 | 1x10^(-10)mBar | |||
| 最高耐受温度 | 150°C(-SS为200°C)(安装光学编码器时降至120°C) | |||
| 平均无故障时间 | 15000 小时(5 kg 负载和 30% 工作循环) | |||
| 自重(标准型) | 1kg | 1.6kg | 2.1kg | 2.7kg |
| 自重(-HR 型) | 2.2kg | 4.4kg | 6kg | 8kg |
产品尺寸:




注意事项:
我们很高兴你能和我们合作。为了节省你的时间,在选择产品时,请查看参数或与我们的销售沟通,避免你购买的产品,因参数与你的使用要求不一致,耽误你的工期进度。我们再次感谢你的支持。








